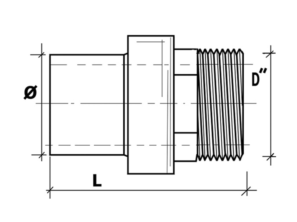
Характеристики
Диаметр труб D, мм
—
40
Давление, МПа
—
1.6
SDR
—
11
Плотность материала
—
100
Тип резьбы
—
наруж., 1 1/4"
Самовывоз сегодня - бесплатно
Условия доставки
Условия доставки
Производитель имеет право без предварительного уведомления вносить изменения в изделие, которые не ухудшают его технические характеристики, а являются результатом работ по усовершенствованию его конструкции или технологии производства.
Переходы ПЭ/латунь PN16 SDR11 PE100 , позволяют сделать разъемное соединение полиэтиленового и металлического трубопровода. Имеет наружную резьбу на латунной части фитинга;
- Материал перехода: полиэтилен высокой плотности 100 кг/м3 / латунь;
- Максимальное давление: 1,6 МПа.
